Servicios
Ingenieria base
KKS
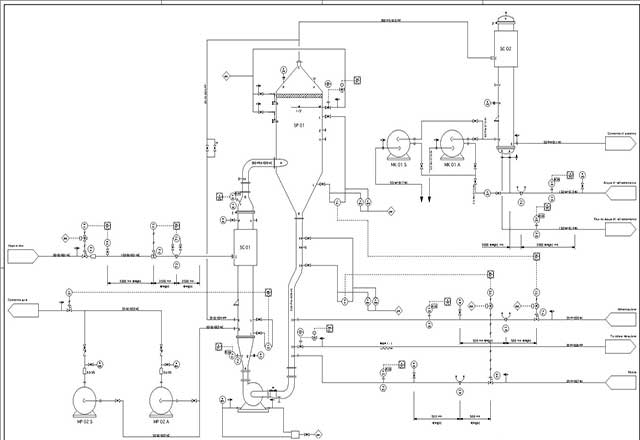
P&ID
ISA Symbol P&ID Symbols Process Equipment
ISA Symbol P&ID
ISA symbols pid-equipment
Sign In & Sign Up
×
Click Me
Login to your account
Create an account
Forgot your password?